• Услуги
  • Каталог оборудования
  • О компании
  • Контакты
+38050-440-91-95 Петр Куманский
+38050-440-91-97 Игорь Баско
+38096-847-22-05 Виктор Акишев
+38050-442-71-71 Ольга Акишева
Офис: Киев, Кирилловская 69В, оф 515
Склад: Киев, Электриков, 26. Территория завода "Кузня на Рыбальском"
Опросный лист
  • Компрессоры холодильные
  • Автоматика и комплектующие
  • Холодильные машины
  • Теплообменное оборудование
  • Компрессорные станции
  • Услуги
  • Каталог оборудования
  • О компании
  • Контакты
+38050-440-91-95 Петр Куманский
+38050-440-91-97 Игорь Баско
+38096-847-22-05 Виктор Акишев
+38050-442-71-71 Ольга Акишева
Офис: Киев, Кирилловская 69В, оф 515
Склад: Киев, Электриков, 26. Территория завода "Кузня на Рыбальском"
  • Компресори холодильні
    • Спиральні
    • Герметичні
    • Напівгерметичні
    • Гвинтові
  • Автоматика та комплектуючі
    • Вентиль запірний
    • Масловідділювачі
    • Ресівери
    • Контроллери
    • Відділювачі рідини
    • Все категории
  • Холодильні машини
    • Агрегати
    • Чілери
    • Моноблоки
  • Теплообмінне обладнання
    • Повітроохолоджувачі
    • Конденсатори
    • Плівкові ТО
    • Кожухотрубні ТО
    • Пластинчаті ТО
    • Все категории
  • Компрессорні станції
    • Високо/середньотемпературні
    • Низкотемпературні
  • Бренды
  • Быстрый подбор

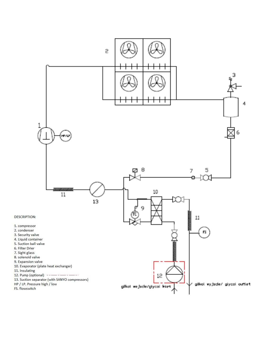
SCAPTXN-20 MHT 1

Главная | Продукция | Холодильні машини | Чілери | SCAPTXN-20 MHT 1

  • Характеристики
  • Креслення
  • Схеми підключення
Модель SCAPTXN-20 MHT 1
Воздушный поток 10600 m3/h
Средний расход 1,1 kg/s
Мощность охлаждения 16,4 kW
Тип блока конденсатора APTXSs-18
Ток LRA 80,0 A
Ток MCC 22,2 A
Тип компрессора HS
N x диаметр 2x500 mm
Напряжение 400/3/50 V/f/Hz
Потребление 2x500 W
Ток 2x1,2 A
Модель Бомба LPS 25/25
Соединение на входе 1 inch
Длина 1300 mm
Закрепление 1250x550 inch
Глубина 900 mm
Высота 680 mm
Гликолевые соединения 1 inch
Вес 205 kg
  • Чертеж
  • Монтажная схема

Контактная информация

Адрес:
Киев, Кирилловская 69В, оф 515
Cклад: Киев, Электриков, 26. Территория завода "Кузня на Рыбальском"
Телефоны:
+38096-847-22-05
Виктор Акишев;
+38050-442-71-71 Ольга Акишева
+38050-440-91-97 Игорь Баско
+38050-440-91-95 Петр Куманский
Факс: +38 044-492-37-56
Skype: viktorakishev2 - Виктор Акишев
Email: info@laminar.com.ua

Бренды

  • Frascold
  • ECO Modine
  • Laminar
  • GEA WTT
  • Invotech
  • Embraco
  • Errecinque
  • Weiguang
  • Ziehl-Abegg
  • Alco
  • Castel
  • WTK
  • EKOfin
  • BOCK
  • Bitzer
  • Area
  • Danfoss
  • Daikin
  • Maneurop
  • Performer
  • Aspera
  • Sanyo / Panasonic
  • Copeland
4 лопасти 7 лопастей cмотровое стекло с индикатором влажности laminar Агрегаты агрегаты на базе компрессоров frascold Антикислотные без клапанного узла бытовые Вентиль под пайку Вертикальные Вертикальные ресиверы с смотровым стеклом Воздухоохладитель Воздушные герметические Горизонтальные двохпоточний двухпоточные двухходовой для кондиционирования для тепловых насосов дюза Клапанный узел Клапанный узел с фильтром для ТЕ2 Компрессора конденсатор с вентилятором корпус Корпус фильтра Кубічний Кубические низкотемпературные Осушитель Охладители жидкости повітроохолоджувач Повітряний под отбортовку под пайку Поршневые Потолочные промышленые прямоточный Серия fb Серия fn Смотровое стекло СПЛИТ-СИСТЕМЫ среднетемпературные Терморегулирующие клапаны Терморегулирующий вентиль тип ТЕ5 - ТЕ55 термостатический элемент ТРВ трехфазные 380 В угловой фреон r134 фреон r134a фреон r22 фреон r404a фреон r404а фреон r407c фреон r507
© 2026 ЧП «Ламинар-Украина»
Холодильные установки, проектирование, комплектующие, фреон
  • Бренды
  • Быстрый подбор
  • Статьи
  • О нас
  • Библиотека документов